Skip to main content
Go to the home page of the European Commission (opens in new window)
English English
CORDIS - EU research results
CORDIS

Enabling interoperability of multi-vendor HVDC grids

Periodic Reporting for period 1 - InterOPERA (Enabling interoperability of multi-vendor HVDC grids)

Reporting period: 2023-01-01 to 2024-06-30

The transition towards massive offshore RES generation requires multi-vendor (MV) multi-terminal (MT) HVDC grids transporting the flows of electricity to shore, and in-land, reinforcing onshore transmission systems. MT HVDC systems may ultimately form a backbone of the European electrical system providing electricity highways across Europe. Today HVDC systems of different vendors are not interoperable. Consequently, it is complex and uneconomic to connect HVDC-systems to form an interconnected and meshed grid. As synchronous generators are replaced by converter-interfaced RES, advanced functions for AC/DC converters such as grid forming controls support AC grid stability.

Interoperability is the capability of HVDC converter stations, HVDC switching stations, Power Park Modules (PPM) and other HVDC grid subsystems to operate together integrated into a system with required power quality and security of supply. It covers the operational compatibility of different technologies, e.g. between Voltage Source Converters and Modular Multi-Level Converters and among similar technologies developed by different vendors. Future HVDC systems will be modular, with common functional specifications and standard interfaces, potentially based on different technologies and/or supplied by different manufacturers.
InterOPERA is a coordinated approach between a high-level group of industry stakeholders. 4 HVDC vendors, 8 TSOs, 2 wind turbine vendors and 3 wind park developers contribute knowledge and practical skills to make future HVDC systems mutually compatible and interoperable by design, and to improve the grid forming capabilities of offshore and onshore converters.
Foreseen real HVDC projects define the demonstrator case study. The system-level design provides guidance to coordinate European grid architecture & topology ensuring seamless system expansion. Interoperability of control and protection systems will be de-risked using a real-time physical demonstrator. Concrete results will be validated through practical testing: detailed functional specifications, standardised models, simulation platforms and interaction study processes, multi-vendor cooperation agreements. Frameworks will be translated into operational and strategic tools available to all European stakeholders to develop multi-terminal HVDC grids that enhances offshore wind integration. External stakeholders and Standards agencies are involved in two-way consultation to maximise uptake of InterOPERA’s key exploitable results.
Solutions for multi-vendor project procurement, compliant with regulation, standards and laws, integrating the technical specifications and interoperability assessment tender stages, will be provided.
InterOPERA paves the way to the first real-life MVMT HVDC projects in Europe.
InterOPERA consists 5 sets of core activities, see figure 1.2E
Moreover, InterOPERA is divided in two phases see figure 1.2D
The methodology of the project is illustrated in Figure 1.2G. Outcomes in the Period are found below.
At M18, the project is approximately 75% of its journey through Phase 1.

Step 1:
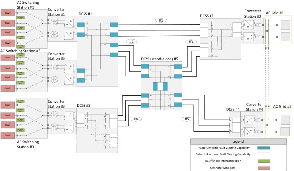
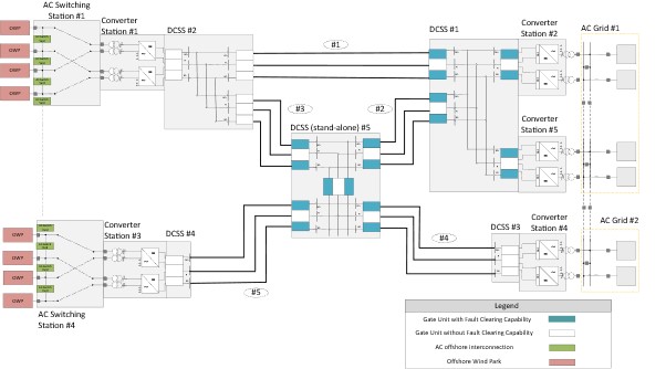
The demonstrator is defined in Deliverable 3.1 (cable-based 5 interconnected terminal HVDC system, with offshore DC-connected power park modules as shown in figures 7_1 and 7_2). The 2 variants have the same subsystem make-up but are reconfigured to test all anticipated interactions.
The Demonstrator rated voltage is 525kV in bipolar configuration with metallic return and 2GW power rating for converter stations. The AC grids on land may be asynchronous. The Demonstrator provides a baseline and is subject to change according to the project needs.
An initial functional framework of HVDC grid systems is provided in Deliverable D2.1 and Deliverable D 2.2. The functional framework utilises Model-Based System Engineering for the development process towards a multivendor setup.
A preliminary legal framework, deliverable D4.1 is agreed and defines collaboration, information sharing of generic models & technical parameters among partners.
During Phase 1, modelling requirements, standard interfaces and standardised interaction study processes including the definition of a generic platform for simulation purposes is in preparation. This first phase is completed in deliverable D1.1.

Step 2:
The HVDC grid modules functional requirements and the interfaces between modules are defined in Deliverable D3.2. The distribution of functions between different subsystems is optimised to minimise complexity of the interfaces.
Deliverable D2.1 comprises functional requirements on the expected ratings of the converters, earthing and layout, control modes, dynamic performance, signals exchanged, start-up and shutdown procedure, protection strategies, fault ride-through capability. During T2.1.2 concern that if fixed too early, quantitative ratings have insufficient flexibility when testing interoperability. The decision as to when parameters may be quantified will be made before the end of T2.1 M24.
The subsystems pre-design activities are collective and iterative work. In Deliverables D3.2 and D2.1 (first version) and D2.2 the first iterations are completed. These documents will be revised at M24.
Task T3.6 – HVDC Grid System Design Studies is initiated to pick up the study results from T3.1 and perform more detailed investigations. The Output of T3.6 will be a Study Report of the DC Load Flow Studies, DC Quasi Stationary Studies, and DC Transient Studies. This work is ongoing and is anticipated to be completed at M24. This task is closely aligned with T3.3 in which detailed subsystem specifications are finalized.

Step 3:
Building on step 2, all remaining open issues and not yet addressed functional requirements will be completed to create detailed functional specifications.
A joint effort between all stakeholders decided on Use Cases with the focus on detailed functional specification. External stakeholder reviews are planned on detailed specification.

Step 4:
Work package 1 works on the clear technical processes for a real implementation of interaction studies to detect, investigate and limit adverse interactions for converters at the AC and DC connection point.
A generalised and universally applicable multi-vendor cooperation framework (Deliverable D4.2) has now entered its 4th iteration. Many aspects are now agreed between parties. A first version was published at M12. Roles, duties, responsibilities and a downstream amendment process are defined. A Patent Risk task force and a Governance task force arbitrates technical issues and proactively works to mitigate any conflicts. An additional review of EU law has been completed based on changes made to the EC Horizontal Block Exemption Regulations and Horizontal Guidelines.

Step 5:
For the purpose of the project, Work Package 5 validated the applicability of the Demonstrator design as the base for procurement processes specifically considering incremental build.
The status of the development of technology and processes beyond the State of the Art are summarized in Figure 1.1A and Figure 1.1B attached.
InterOPERA overall methodology - V-cycle diagram
Technical Advancement Achievement at M18 against State of the Art
KPIs for each Objective to advance State of the Art
Full Demonstrator configuration from Deliverable D3.1 variant 2
Full Demonstrator configuration from Deliverable D3.1 variant 1
The main results to be generated from the 5 sets of core activities and their link to InterOPERAs ob
Schematic of the Real Time physical demonstrator including replicas from InterOPERAs Partners
List of Project Tasks & Deliverables combined with V-cycle diagram
My booklet 0 0