Skip to main content
Go to the home page of the European Commission (opens in new window)
English English
CORDIS - EU research results
CORDIS

Tissue-specific mitochondrial signaling and adaptations to mistranslation

Periodic Reporting for period 4 - MISTRANSMITO (Tissue-specific mitochondrial signaling and adaptations to mistranslation)

Reporting period: 2020-01-01 to 2020-06-30

Mitochondria play a central role in the energy metabolism of our bodies and their defects give rise to a large variety of clinical phenotypes that can affect practically any tissue. The mechanisms for the tissue-specific outcomes of mitochondrial diseases are poorly understood. Mitochondrial energy production relies on two separate protein synthesis machineries, cytoplasmic and mitochondrial, but the mechanisms regulating the concerted actions between the two are largely to be discovered. Defects in either protein synthesis system that lead to accumulation of mistranslated mitochondrial proteins, intrinsic or imported from the cytoplasm, result in stress signals from mitochondria and in adaptive responses within the organelle and the entire cell. My hypothesis is that some of these signals and adaptive mechanisms are tissue-specific. My group will test the hypothesis by 1) generating and characterizing mouse models of cytoplasmic and mitochondrial mistranslation to be able to address our questions in different tissues. 2) We will develop methods for detection of ribosome stalling in mouse tissues to identify the consequences of mistranslation for individual proteins. 3) We will use systems biology approaches to identify stress signal responses to mitochondrial and/or cytoplasmic mistranslation using different tissues of our models, to identify those that are unique or global. 4) Our previous study has identified an interesting candidate responder to mistranslation stress and we will test the role of this factor in knockout animal models and by crossing with the mistranslation mice. I expect to gain important new knowledge of in vivo responses to mistranslation and execution of quality control. This proposal investigates key questions in understanding differential tissue involvement in metabolic defects, and will provide new directions for utilization of tissue-specific adaptations in finding interventions for mitochondrial diseases.
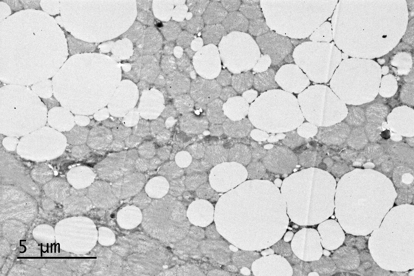
In this project, we have discovered a mitochondrial error-correction mechanism, which is vital for energy production in mammals. The study, “Editing activity for eliminating mischarged tRNAs is essential in mammalian mitochondria,” was published in the journal Nucleic Acids Research in 2018. We show for the first time that this mechanisms is central for protein quality control in mitochondria. We have also extensively investigated the roles of two poorly characterized mitochondrial proteins, GRPEL1 and GRPEL2, in protein homeostasis. We have found that of these similar proteins, GRPEL1 is the essential protein required in all cells, whereas GRPEL2 is a stress-regulated counterpart (Konovalova et al. Redox Biology 2018). Importantly, we show accordingly that mice lacking GRPEL1 do not survive development but GRPEL2 has an unexpected and interesting role as a new regulator of metabolism. Mice lacking GRPEL2 have abnormally functioning brown adipose tissue, which burns fat excessively, resulting in resistance to age- ja diet-induced obesity (submitted study). Our study has revealed new mechanisms of how mitochondrial protein homeostasis is involved in tissue-specific regulation of mitochondrial functions. These results are important for understanding the tissue-specificity of mitochondrial diseases, and in modifying mitochondrial metabolism for the benefit of human health.
With the tools generated in this project, we will continue to further explore the mechanisms mediating protein homeostasis in mitochondria and their roles in different cell types and tissues.
Electron micrograph of mouse brown adipose tissue containing lipid droplets and mitochondria
My booklet 0 0